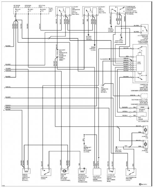
Autossa on alkuperäisvarusteena ilmastointi, se kahdella rullalla säädettävä ja keskellä napit.
Ilmastointi toimii, mutta alkaa toimia vasta muutaman minuutin kuluttua auton käynnistämisestä. Usean kerran sama juttu ja äsken kokeilin pihalla paikallaan käydessä; sama homma. Eikä lähtenyt kompura päälle vaikka oikosulki painekytkimen johdot, sitten taas omia aikojaan kytkeytyi.
Eihän tuo käyttöä mahdottomasti haittaa, mutta mielenkiintoinen vika ja kiinnostaisi selvittää mistä johtuu.
Joskus aiemmin on tehty sellainen korjaus että akun takana olevalta ilmastoinnin boksilta on vedetty uudet johdot kompuralle (3 johtoa)
Virtapiirikaavioita ? Tietoa, ehdotuksia ?

